LOGIN
  • Post to the EFV-8 Forum
  • Post Classified Ads
  • Shop the Online Store
User Login

Not Registered Yet? Click Here to Sign Up!



(Forgot your Password?)
Remember me on this computer

Not registered yet?
REGISTER NOW!

Back to Home Page Show Forum Rules

Early Ford V-8 Club Forum

FORUM RULES: Users agree to these Rules when using Forum.

The site administrator reserves the right to change the terms and conditions of the user agreement without prior notice to the user. It is the responsibility of the user to regularly review the terms of this agreement.

The user agrees to the following terms:

  1. All information that you provide to us for your membership is correct.
  2. You will not use your membership to spam, harrass, or exploit other members in any way.
  3. Vulgar, Abusive, Racist and Sexist Language will not be tolerated.
  4. Commercial-type sales postings will not be allowed.
  5. No mass posting or flooding of the boards is allowed.
  6. No Advertising of parts or cars; no Ebay or business/commercial ads (please use the "Classified" for ads Wanted or For Sale).
  7. VIEWING MULTIPLE TOPICS ON SCREEN: You can choose to see more than 10 Topics at a time ... Log In and choose "Preferences" from the top bar on the Forum page. Scroll down and Change the "Default Topics Returned" parameter to 25 or 50, and save the changes. Since this setting is stored in your browser 'cookies' (if enabled), it seems to use that stored value even if you are not logged in. So, if you use a PC that you haven't logged into the forum from, the setting still seem to remain at the default.
  8. EXTERNAL PHOTO LINKS ON FORUM: You can still use external photo links in your posts on the new forum. They follow the rules of any link in that they have to have the URL link qualified down to the full image file name (example: .jpg). The links will open in a new browser window, the same as an uploaded image attached to a post. Since an image attachment to any post does not display inline with the post, the results are the same. You can use multiple external links within a post. This link is from photos on a site from Don Clink's 'Deuce@75' albums:

    http://donclink.com/deuce_75_1/images/dscn2950.jpg

    Using links from photo sites such as Photobucket can help in "size" issue with uploaded attachment files. For best viewing in web browsers, photos should be around the 800x600 pixel range, and probably not more than 1024x768. Most cameras today store HUGE jpg image files, as the default settings are in the 7, 8, 10, and 12Mb image sizes. The image files that are then attached are very large, and the browser can't display the full image size without using the scroll bars. Use the re-sizing functions of your photo editing software to reduce the image to 800x600, which reduces the file sixe and the image load time in the browser. Don uses Google's free Picassa3 software, which is an excellent photo management product. All of the photo albums of the Deuce, Grand National, and Auburn that are links on the NORG site were built using Picassa's web creation functions. And it's free? (THANKS to Don Clink for the info!)
  9. HOW DO I SHOW MY EMAIL ADDRESS ALONG WITH MY USERNAME? You can LogIn on the Forum, and select PREFERENCES. On this page Members can add optional information such as their City,State, Country; Occupation; Hobbies: list a Homepage; list AOL Instant Messanger Handle; Signature; "Make Email Address viewable to others;" and even change the number of Default Topics shown on a page. WHEN others click on your profile, they will see this information.

EFV-8 Club Forum / General Ford Discussion / 8ba into a 35 ford coupe

   Reply to this DiscussionReply to Discussion | Start new discussionNew Discussion << previous || next >> 
Posted By Discussion Topic: 8ba into a 35 ford coupe -- page: 1 2 3

Printer-friendly Version  send this discussion to a friend  new posts first

wlzemke
05-13-2024 @ 8:40 PM
Member
Posts: 38
Joined: Jan 2024
          
I was mistaken. I do have a center sump, your assumption was correct . Now that I have raised the front of the engine up I may be able to heat the pitman arm up and bend it slightly, to get a little more clearance to the pan. If that doesn't work i will look for a rear sump. I know where their is one and I pickup but they are a little spendy.

carcrazy
05-13-2024 @ 8:37 PM
Senior
Posts: 1979
Joined: Oct 2009
          
Yes. Using the same pulleys for both pumps would be required so both pulley sheaves would be in the same plane as the drive pulley on the crankshaft. This would allow the belt to travel in only one plane which will maintain proper belt life. Some modifications or adjustments may be required to get both pump driven pulleys in the same plane as the crank drive pulley.

wlzemke
05-13-2024 @ 8:28 PM
Member
Posts: 38
Joined: Jan 2024
          
Thanks very much! If I were to use one belt and drive both pumps and the generator off the crank, I should try to use the same size pullies on the pumps?

carcrazy
05-13-2024 @ 8:08 PM
Senior
Posts: 1979
Joined: Oct 2009
          
The answers to your two most recent questions are:

To determine the correct angle, front to back, for your engine, place a level or angle finder on the carburetor mounting flange surface on the top of your intake manifold. When the angle finder reads "0" degrees, you will have your engine at the proper angle.

The water pump pulleys are different sizes because the drive pulleys for them are of different diameters. To keep the water pump speeds the same, the pulleys are sized appropriately.

wlzemke
05-13-2024 @ 6:33 PM
Member
Posts: 38
Joined: Jan 2024
          
I also noticed that the two water pumps have two different pulley diameters. What is the reason for this?

wlzemke
05-13-2024 @ 6:21 PM
Member
Posts: 38
Joined: Jan 2024
          
I have another strange question. How do you know when your engine in the front is sitting at the right height? I have the biscuit style mounts so I can shim them to whatever height would be best. I put a level on the carb mount of the intake manifold and got it pretty level ,but the engine itself is tipped back somewhat. Any suggestions other than get a life!

wlzemke
05-12-2024 @ 7:23 PM
Member
Posts: 38
Joined: Jan 2024
          
Really good input! I will do some more in-depth checking tomorrow. I would really like to put the fan on the inside but not sure I have the room. I will check on the cast exhaust manifold. Thanks again. Bill

pauls39coupe
05-12-2024 @ 5:24 PM
Member
Posts: 247
Joined: Jul 2014
          
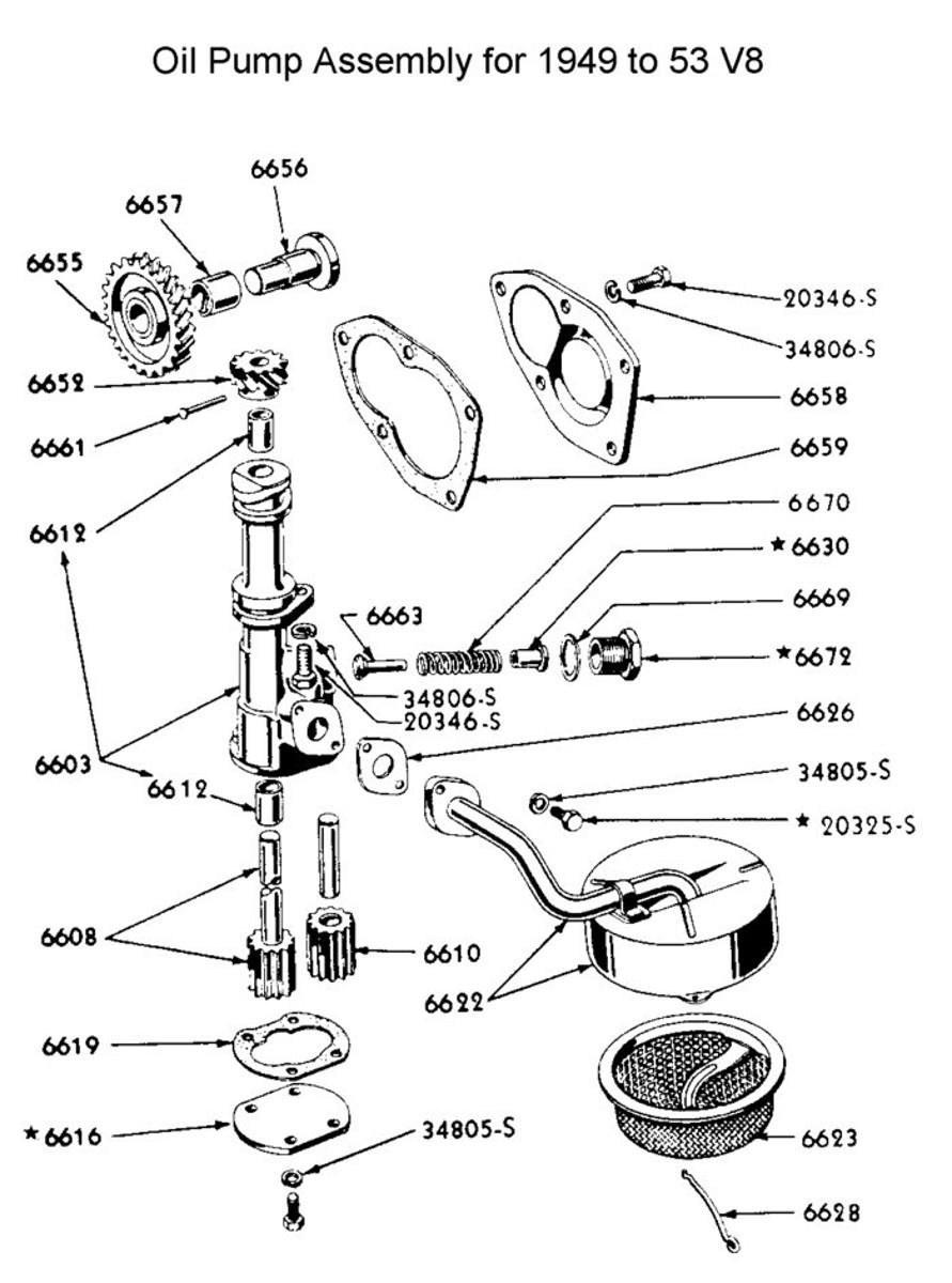
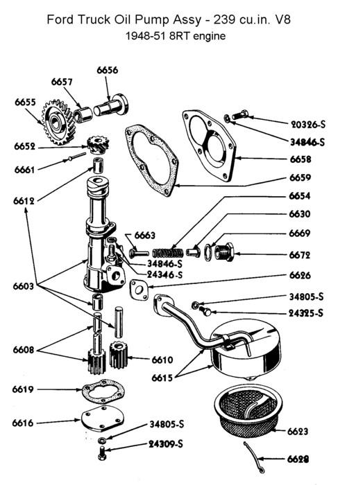
From the photo it looks like you have a center sump oil pan. A truck pan or early Merc pan would move the sump to the rear. You will need the correct oil pump pickup for that pan.
There is a cast iron header ( police option) that may clear your steering box. I believe Red's also has some tube headers that move the outlet toward the front.
Can you post a photo of the drivers side area showing the steering? It may give us some more ideas about how to help.
Please keep us posted.
Also keep the fan on the inside, mounting them up front restricts the air flow at speed.

This message was edited by pauls39coupe on 5-12-24 @ 5:28 PM

51504bat
05-12-2024 @ 3:08 PM
Member
Posts: 348
Joined: Apr 2020
          
Oil pump pick ups are different. You'll need the 8rt truck pick up if you use the truck pan

______________
No signature

wlzemke
05-12-2024 @ 1:06 PM
Member
Posts: 38
Joined: Jan 2024
          
Thanks Alan! For now I think I will go with an electric fan. I only have about 1 1/2 in. from the fan to the generator. I might have to take my chances with a pusher on the outside of the radiator.

<< previous || next >> 
PAGE: 1 2 3


NOTE: YOU MUST BE A REGISTERED USER AND BE LOGGED IN TO POST (and reply to) messages in this forum. If you are a first time user, please click the CREATE A NEW ACCOUNT in the masthead above to register and Log In. After that, all you do is LOG IN to enjoy using this site.

DISCLAIMER: The V-8 Club does no independent testing of any of the opinions, thoughts or suggestions presented in the website on the Forum, in the Tech Tips section, or any section. A reader should consider the website to be a forum wherein differing solutions to a particular set of circumstances may be discussed. Ultimately, the selection of an item for an individual's vehicle must be based upon the independent study of the vehicle owner in consultation with people in the hobby and restoration experts.


EFV-8 Club Forum Home | Back to Home Page | Contact the Webmaster

Copyright © 2009 - EFV-8.org
Powered by < CF FORUM > v.2.1